Description
Strange HD Pro Aluminum Third Member With Spool
40 Spline Lightweight Spool 28 Spline Pro Gear & Chrome Moly Yoke
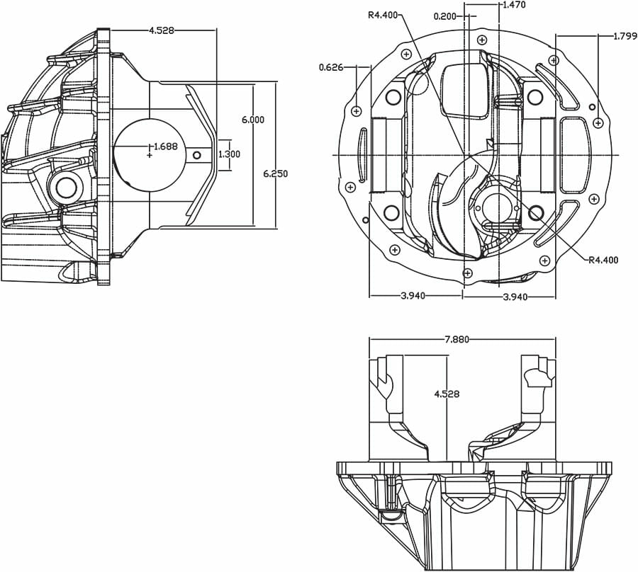
The Strange HD Pro Ford 9 inch Aluminum Third Member With Spool is designed for Drag Race applications and for the most abusive Hi-Performance street/strip applications. As with all Strange aluminum cases, it is crafted from 206-T4 heat treated aluminum. This premium aluminum has a 12% higher yield strength and a 32% higher tensile strength compared to commonly used 356-T6 aluminum.
The billet aluminum pinion support has a unique oil channel that is machined 360º into the support to maximize oil flow to the pinion bearings as well as a large slot in the front to further boost oil circulation. The support is in contact with the bore of the case in two locations as opposed to one as found in normal cases. This additional contact area holds the pinion shaft much more securely resulting in better bearing and gear life. The tail bearing is oversized to handle more load and greater RPM than a stock tail bearing. Billet aluminum main caps encapsulate chrome-moly studs, provide the utmost support for the carrier bearings and significantly reduce ring gear deflection.
Strange Pro HD case / D2002 spool / 28 spline pro gear / yoke
Specifications
| For Make | |
|---|---|
| For Model | |
| For Year |
You may also like
Recently viewed
S&W Performance Group
Did you find what you are looking for? If you have any questions get in touch.






