Description
Part# 40-246MS
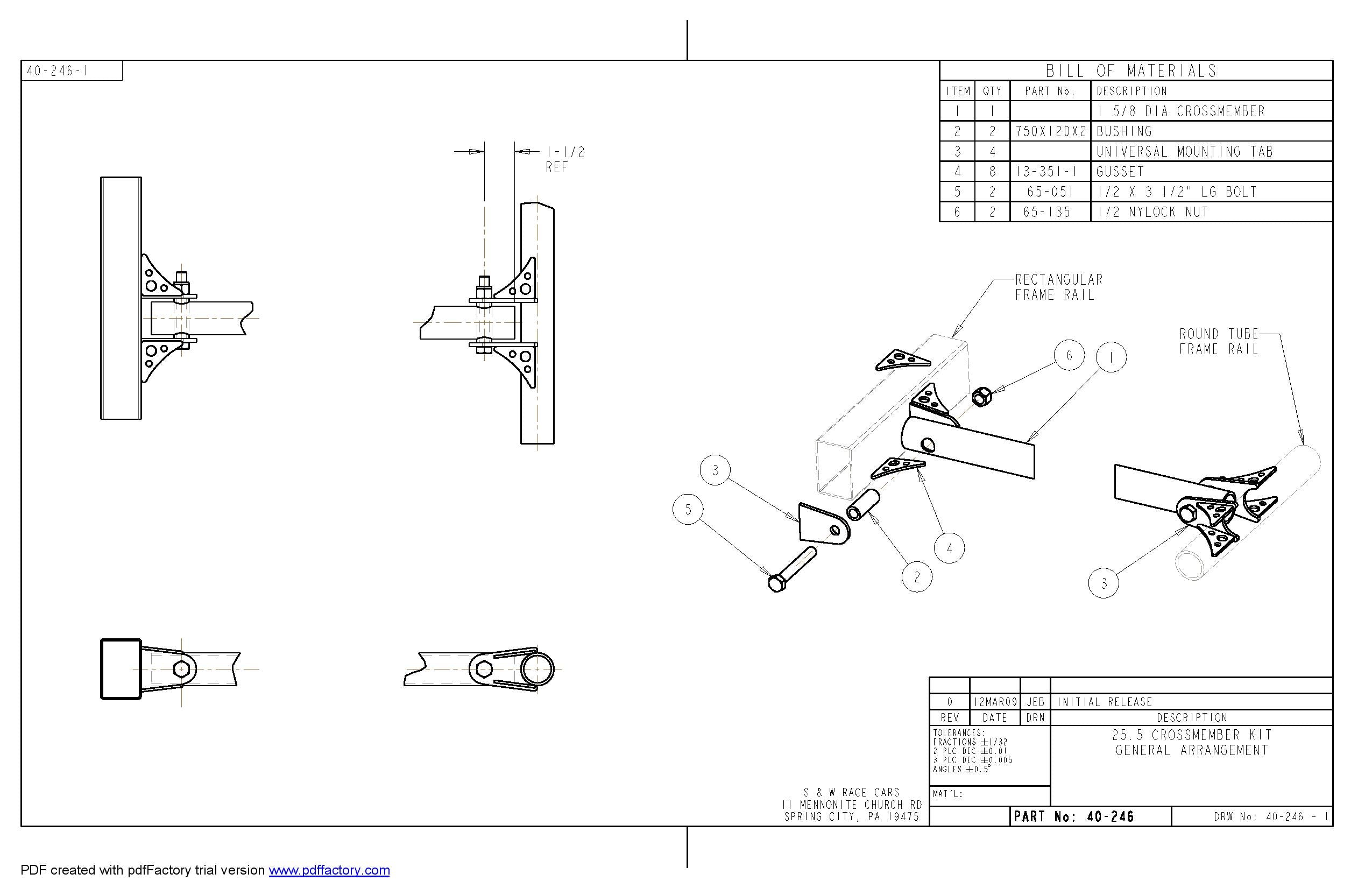
1-5/8? diameter X .134 wall mild steel crossmember, includes 36? ling crossmember, mounting tabs, gussets and hardware. Maximum width between frame rails 38-5/8?. Does not include transmission mount Cutting drilling and welding required. 40-246MS instructions
Specifications
| For Make | |
|---|---|
| For Model | |
| For Year |
You may also like
Recently viewed
S&W Performance Group
Did you find what you are looking for? If you have any questions get in touch.

